| Bearing no. | SFRW188 |
|---|
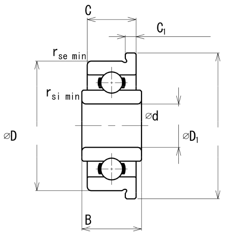
| Bore diameter | d | 6.35 mm0.25 inch |
|---|
| Outer diameter | D | 12.7 mm0.5 inch |
|---|
| Inner ring width | B | 3.967 mm0.1562 inch |
|---|
| Outer ring width | C | 3.175 mm0.125 inch |
|---|
| Inner ring chamfer dimension | rsi min | 0.15 mm0.0059 inch |
|---|
| Outer ring chamfer dimension | rse min | 0.15 mm0.0059 inch |
|---|
| Flange outer diameter | D1 | 13.894 mm0.547 inch |
|---|
| Flange width | C1 | 0.584 mm0.023 inch |
|---|
| Basic dynamic load rating | Cr | 920 N |
|---|
| Basic static load rating | Cor | 350 N |
|---|
| Limiting speed | Grease | 48000 min-1 |
|---|
| Oil | 56000 min-1 |
|---|
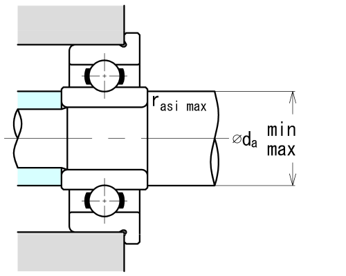
| Abutment and fillet dimensions | da min | 7.6 mm0.2992 inch |
|---|
| da max | 7.9 mm0.311 inch |
|---|
| Da min | mm inch |
|---|
| Da max | mm inch |
|---|
| rasi max | 0.15 mm0.0059 inch |
|---|
| rase max | mm inch |
|---|
| Ball size × quantity | 2.000 mm0.0787 inch × 8 |
|---|
| Mass (reference) | 1.68 g |
|---|
The above values are subject to change without notice for the improvement of products or other purposes. We have prepared this table with sufficient care, and we cannot be held responsible for any damage caused by possible errors or omissions.